Биполярный транзистор 2SC5200, NPN 230В 15А
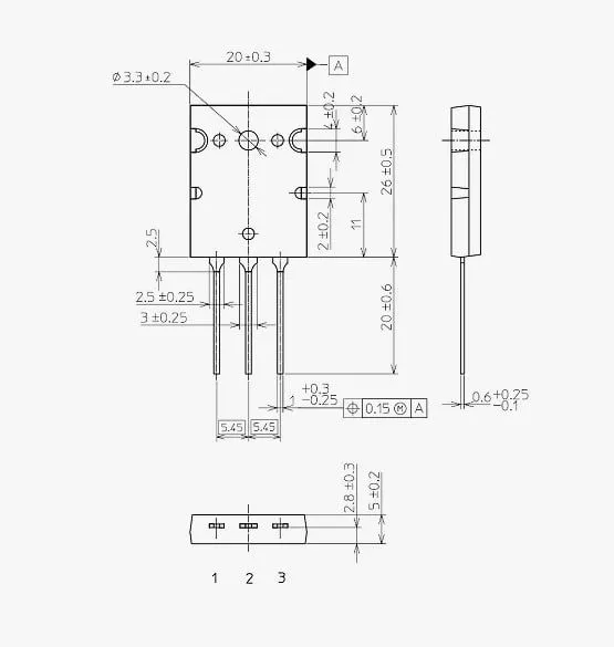
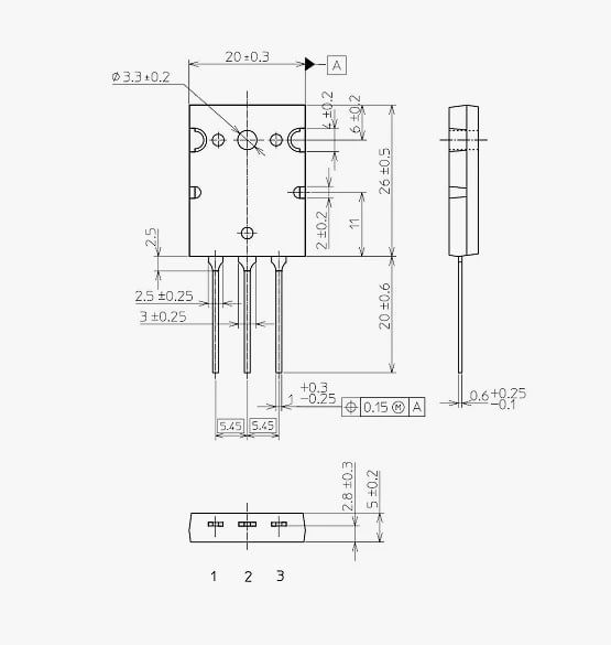
| Тип корпуса | TO-3P |
| Граничная частота (fт) | 30 МГц |
| Коэффициент усиления по току | 55-200 |
Мощный NPN-транзистор предназначен для использования в выходных каскадах высококачественных усилителей мощности звуковой частоты, импульсных источниках питания, преобразователях напряжения и других силовых устройствах, требующих надёжной работы при значительных токовых нагрузках.
Ключевыми параметрами являются максимальное напряжение коллектор-эмиттер 230 В и предельный ток коллектора 15 А, что обеспечивает широкий диапазон применения в силовой электронике. Рассеиваемая мощность до 150 Вт позволяет работать с высокоэнергетическими сигналами при условии эффективного теплоотвода.
Корпус TO-3P обеспечивает удобный монтаж на радиатор и эффективный отвод тепла. Граничная частота 30 МГц и коэффициент усиления по току в диапазоне 55-200 гарантируют стабильные характеристики в широком спектре схемотехнических решений. Низкий обратный ток коллектора не более 0.1 мА минимизирует потери в закрытом состоянии.
| Тип корпуса | TO-3P |
| Граничная частота (fт) | 30 МГц |
| Коэффициент усиления по току | 55-200 |
| Обратный ток коллектора (Iкбо) | не более 0.1 мА |
| Максимальный ток коллектора (Ic max) | 15 А |
| Максимальная рассеиваемая мощность (Pmax) | 150 Вт |
| Максимальное напряжение коллектор-эмиттер (Uкэ max) | 230 В |
Предлагаем Биполярный транзистор 2SC5200, NPN 230В 15А на выгодных условиях с полной технической поддержкой. Проверим наличие, поможем подобрать аналог.
Получить коммерческое предложение или оформить заказ:
8 800 301-96-04 info@fregat.ru
Для разработчиков новой продукции возможен заказ образца!